単相とは?三相との違い・原理・見分け方をわかりやすく解説
単相とは、家庭で一般的に使われる電気の供給方式のことです。
この記事では、単相の基本的な意味や仕組み、そして業務用で使われることが多い三相との違いを分かりやすく解説します。
それぞれのメリットを理解し、自宅の電源がどちらなのか見分ける方法や、用途に応じた選び方を知ることで、家電製品や業務用機器の導入がスムーズになります。
単相とは?家庭で使われる電気の基本を解説
単相は、1つの波で電気を供給する交流電源の方式です。
日本の一般家庭に供給されている電気のほとんどがこの単相で、照明や冷蔵庫、テレビといった身の回りの多くの家電製品を動かすために使われています。
いわゆる家庭用電源の基本となるのが単相であり、私たちの生活に最も身近な電気の種類といえます。
1つの波(単一の波形)で電気を供給する交流電源
電気には、常に一定方向に流れる「直流(DC)」と、周期的にプラスとマイナスが入れ替わり、波のような形(波形)で流れる「交流(AC)」があります。
単相とは、この交流(AC)のうち、1つの波形(位相)で電気を送る方式のことです。
時間とともに電圧が変動し、波が上下するシンプルな構造が特徴です。
家庭用のコンセントに供給される電気は、この単相の交流電源です。
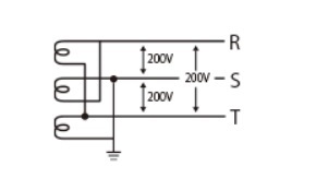
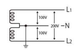
一般家庭で主流の「単相2線式」と「単相3線式」とは
単相配線には、主に2種類の方式があります。
「単相2線式」は、2本の電線で100Vの電圧を供給する方式で、古い住宅などで見られます。
一方、「単相3線式」は3本の線を使って100Vと200Vの両方の電圧を供給できる方式で、現在の一般家庭ではこちらが主流です。
単相3線式では、2本の線を使う回路で100Vの家庭用コンセントに、異なる2本を使う回路で200VのエアコンやIHクッキングヒーターなどに電気を送ることが可能です。
電源周辺機器は|BuhinDana
当社では単相・3相トランスを始め、電源用避雷器、電源周辺測定器、AC-DCコンバーター、端子台、ヒューズ、パイロットランプなど、さまざまな電源周辺機器をご用意しています。
![]()
![]()
単相と三相の根本的な違いを5つの項目で徹底比較
電気の供給方式には、単相のほかに三相があります。
この二つの相の方式は、電圧の大きさや供給できる電力、安定性、配線の本数、そして主な用途において根本的な違いが見られます。
家庭用と産業用で使い分けられるこれらの違いを、5つの具体的な項目に分けて比較し、それぞれの特徴を明らかにします。
違い①:電圧の大きさ(100V/200V)
単相と三相では、供給される電圧の大きさが異なります。
単相は、一般的に100Vと200Vの2種類が利用されます。
特に単相3線式では、電線間のつなぎ方によって100Vと200Vを使い分けることが可能です。
一方、三相は動力用として主に200Vの電圧で供給されます。
機器によっては400V級の三相電源が使われることもあります。
それぞれの線間電圧が異なるため、使用する機器に合った電源を選ぶ必要があります。
違い②:供給できる電力の量
三相は単相に比べて、より大きな電力を効率的に供給できる点が大きな違いです。
同じ太さの電線で同じ量の電流を流した場合、三相は単相の約1.73倍の電力を送ることが可能です。
そのため、大きなモーターなど、高い電力容量を必要とする産業用の重い負荷を持つ機器に適しています。
一方、単相は家庭用の比較的小さな負荷の機器を動かすのに十分な電力を供給します。
力率や無効電力の観点からも、三相は電力効率に優れた供給方式です。
違い③:電気の流れの安定性
電気の流れの安定性にも差があります。
単相は1つの波形で電気を送るため、電圧がゼロになる瞬間が存在します。
一方、三相は3つの波形が120度ずつ位相差をもって流れるため、合成すると電圧が常に一定に保たれます。
この電力のバランスが取れた安定した流れは、モーターなどを滑らかに、かつ効率的に回転させられる大きな利点です。
単相モーターのように回転が不安定になる欠点がなく、常に安定した動力を供給できます。
違い④:配線の本数
配線の本数も、単相と三相を見分けるポイントです。
単相2線式は2本、単相3線式は3本の電線で配線されます。
一方、三相は基本的に3本の電線を(R相、S相、T相)使用する3線式が主流です。
また、中性線(ニュートラル)を加えた三相4線式の配線もあり、この場合は4本の電線となります。
結線方法やアース(接地)線の有無によって実際の線の数は変わりますが、基本となる本数が異なります。
違い⑤:主な用途(家庭用と産業用)
これらの違いから、単相と三相は主な用途が明確に分かれています。
単相は、照明やテレビ、冷蔵庫といった家庭用の電化製品や、比較的小さな電力で動く事務所のOA機器などに広く使われます。
対して三相は、そのパワフルで安定した電力供給能力から、工場で使われる大型のモーターや業務用エアコン、エレベーター、工作機械など、大きな動力を必要とする産業用の機器に利用されるのが一般的です。
電源周辺機器は|BuhinDana
当社では単相・3相トランスを始め、電源用避雷器、電源周辺測定器、AC-DCコンバーター、端子台、ヒューズ、パイロットランプなど、さまざまな電源周辺機器をご用意しています。
![]()
![]()
単相か三相か?自宅の電源を簡単に見分ける3つの方法
自宅や事務所に引き込まれている電気が単相なのか三相なのかは、専門的な知識がなくても簡単に見分けることが可能です。
特にエアコンや大型機器を設置する際には、事前の確認が不可欠です。
ここでは、分電盤、コンセント、検針票という3つのポイントから、電源の種類を目で見て判断する具体的な方法を解説します。
これにより、理論だけでなく実践的に電源を理解できます。
方法①:分電盤(ブレーカー)のメインスイッチを確認する
最も確実な方法は、分電盤(ブレーカー)を見ることです。
メインスイッチの配線を確認しましょう。
電線が赤・白・黒の3本であれば「単相3線式」で、100Vと200Vの両方が使えます。
電線が2本だけであれば「単相2線式」です。
一方、三相の場合は、メインスイッチに接続されている電線が3本(または中性線を含む4本)で、スイッチ自体も単相用より幅が広いことが特徴です。
アンペアブレーカーに「単3」と記載があれば単相3線式です。
方法②:コンセントの差し込み口の形状をチェックする
コンセントの差し込み口の形状からも電源の種類を判断できます。
一般的な家庭用コンセントは、縦長の穴が2つあり、これは単相100V用です。
大型エアコンやIHクッキングヒーターなどで使用される単相200V用のコンセントは、穴が3つあるなど100V用とは形状が異なります。
三相200V用のコンセントは、穴が3つまたは4つで、刃が曲がっているなど特殊な形状をしており、家庭で見ることはほとんどありません。
方法③:電力会社から届く検針票を見る
電力会社から毎月届く「電気ご使用量のお知らせ(検針票)」でも契約内容を確認できます。
契約種別の欄を見てみましょう。
「従量電灯」や「電灯契約」といった記載があれば、それは単相契約です。
一方で、「低圧電力」や「動力契約」と書かれている場合は三相契約を意味します。
最近のスマートメーターを利用している場合も、電力会社のウェブサイトなどで契約情報を確認することが可能です。
電源周辺機器は|BuhinDana
当社では単相・3相トランスを始め、電源用避雷器、電源周辺測定器、AC-DCコンバーター、端子台、ヒューズ、パイロットランプなど、さまざまな電源周辺機器をご用意しています。
![]()
![]()
【利用シーン別】単相と三相の適切な選び方
単相と三相のどちらの電源方式を選ぶべきかは、使用する電気機器の種類と必要な電力によって決まります。
一般的な家庭での利用か、あるいは工場や店舗での動力利用かによって、適切な選択は大きく異なります。
ここでは、具体的な利用シーンを想定し、それぞれの状況に最適な電源の選び方を解説します。
この選択を誤ると機器が動かないだけでなく、無駄なコストが発生することもあります。
一般的な家電製品を使うなら単相電源
テレビ、冷蔵庫、照明器具、パソコン、電子レンジなど、私たちが日常的に家庭で使うほとんどの家電製品は、単相100Vの電源で動作するように設計されています。
そのため、一般的な住宅やアパートでは単相電源の契約で十分です。
特別な機器を導入する予定がなければ、単相電源を選択するのが基本となります。
大型エアコンやIHには単相200Vが必要なケースも
同じ単相電源でも、よりパワーを必要とする機器には200Vの電圧が求められます。
例えば、広い部屋に対応する大型のエアコン、パワフルなIHクッキングヒーター、電気温水器、エコキュートなどがこれに該当します。
また、データセンターなどで使用される一部のUPS(無停電電源装置)も単相200Vを必要とする場合があります。
これらの機器を導入する際は、自宅に単相200Vの配線が来ているか事前に確認が必要です。
工場や業務用の大型機器を動かすなら三相電源
工場で使われる工作機械やプレス機、業務用の大型冷蔵庫、エレベーター、コンプレッサー、電気自動車用の急速充電器など、大きな動力を安定して必要とする機器には三相電源が不可欠です。
これらの機器に内蔵されている大型の誘導モーターは、三相交流によって効率的に大きな力を生み出します。
店舗や工場でこのような大型機器を動かす場合は、三相契約が必要になります。
電源周辺機器は|BuhinDana
当社では単相・3相トランスを始め、電源用避雷器、電源周辺測定器、AC-DCコンバーター、端子台、ヒューズ、パイロットランプなど、さまざまな電源周辺機器をご用意しています。
![]()
![]()
単相と三相の電気料金・工事費用の違い
単相と三相では、供給される電力の種類が違うだけでなく、電気料金の契約プランや、電源を切り替える際の工事費用も異なります。
家庭で主に使われる「電灯契約」と、事業所で使われる「動力契約」では料金体系が大きく変わるため、コストを考える上でこの違いを理解しておくことが重要です。
契約プラン(電灯契約・動力契約)による基本料金の差
電気料金の契約は、単相が「電灯契約」、三相が「動力契約」と、別々のプランになります。
一般的に、動力契約は電灯契約に比べて基本料金が高く設定されています。
しかし、その一方で電気の使用量に応じて加算される電力量料金(1kWhあたりの単価)は、動力契約の方が安価な傾向にあります。
そのため、長時間にわたって大量の電気を使用する工場などでは、三相の動力契約の方がトータルの電気代を抑えられる場合があります。
電源の切り替え工事にかかる費用の目安
単相から三相へ、あるいはその逆に電源を切り替えるには、専門的な電気工事が必要です。
特に、単相から三相への切り替えは、電柱から建物内への引き込み線の変更や分電盤の交換など、大掛かりな工事となることが多く、費用も高額になる可能性があります。
工事費用は建物の状況や配線の距離によって大きく変動しますが、数十万円単位の費用がかかることも珍しくありません。
事前に複数の電気工事会社から見積もりを取ることが推奨されます。
電源周辺機器は|BuhinDana
当社では単相・3相トランスを始め、電源用避雷器、電源周辺測定器、AC-DCコンバーター、端子台、ヒューズ、パイロットランプなど、さまざまな電源周辺機器をご用意しています。
![]()
![]()
単相に関するよくある質問
ここでは、単相電力に関して特に多く寄せられる質問とその回答をまとめました。
電源の切り替え工事の可否や、コンセントの互換性など、実践的な疑問を取り上げます。
単相から三相へ、または三相から単相への切り替え工事は可能ですか?
はい、可能です。
ただし、電力会社への申請と、分電盤や屋内配線を変更する専門的な電気工事が必要です。
特に単相から三相への変更は、電柱からの引き込み線工事も必要になる場合があり、費用や時間がかかることがあります。
建物の構造によっては工事が難しいケースもあるため、まずは電気工事会社に相談しましょう。
家庭用のコンセントで三相の機器を使う方法はありますか?
いいえ、基本的には使えません。
家庭用の単相コンセントと三相機器では電圧も電源の仕組みも異なるため、直接接続することは不可能です。
どうしても使用したい場合は、単相電源を三相に変換する「インバータ」や「動力変圧器(トランス)」という装置が必要ですが、非常に高価で専門的な設備となり一般的ではありません。
電気の契約で出てくる「単相S」とは何のことですか?
「単相S」とは、主にスマートメーターで計測される単相契約を指す電力会社の管理上の記号です。
Sは「Single-phase」の頭文字と考えられます。
従来のメーターと区別するために使われることがあり、利用者側がこの表記によって手続きなどで違いを意識する必要は特にありません。
契約内容は通常の単相契約と同じです。
まとめ
単相は家庭用の電源として、三相は産業用の動力源として、それぞれ異なる特徴と役割を持っています。
単相は100Vと200Vが利用でき、ほとんどの家電製品を動かすのに適しています。
一方、三相はより大きな電力を安定して供給できるため、工場の大型誘導モータなどを効率よく稼働させます。
エアコンやIHクッキングヒーターなどの導入を検討する際は、まず分電盤やコンセントを確認し、自宅の電源が単相か三相か、そして必要な電圧を供給できるかを見極めることが重要です。
電源周辺機器は|BuhinDana
当社では単相・3相トランスを始め、電源用避雷器、電源周辺測定器、AC-DCコンバーター、端子台、ヒューズ、パイロットランプなど、さまざまな電源周辺機器をご用意しています。
![]()
![]()


















