SKRCACD010 | ALPSALPINE(アルプスアルパイン)タクトスイッチ
φ9.0mm防水丸端子タイプ(ラジアル) SKRCシリーズ防水
この商品は900個単位のメーカー発注品(受注生産品)となります。
【注】試作およびLOTに満たない数量でのご注文をご要望の際はご相談ください。
実装性に優れた丸端子で、優れた防水・防塵性能を実現。
基本情報
タイプ:Radial
作動力:1.57N
操作方向:トッププッシュ
移動量:0.25mm
動作寿命:100,000 cycles
初期接触抵抗:500mΩ max.
ステム色調:Dark gray
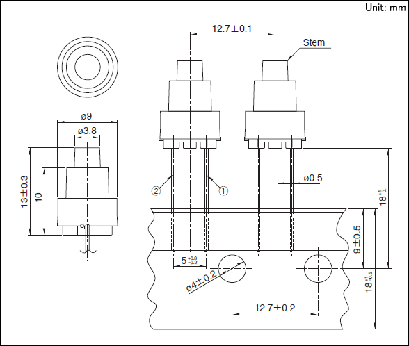
外形サイズ(W×D×H):φ9mm×13mm
仕様
シリーズタイプ:シャープフィーリングタイプ
使用温度範囲:-30℃ ~ +85℃
最大定格:50mA 12V DC
最小定格:10μA 1V DC
耐水性能:防水・防塵:コーティングした状態で
水温:60℃
水深:10cm
浸せき時間:240h
ALPSALPINE(アルプスアルパイン)のご紹介ページはこちら
弊社ではALPSALPINE(アルプスアルパイン)の在庫を数多く取り揃えております


